Non hanno trovato la macchina che stavi cercando? Contattaci
APT International dispone di 30.000 m² di magazzino in Belgio e 3.000 macchine disponibili immediatamente.
Non hanno trovato la macchina che stavi cercando? Contattaci

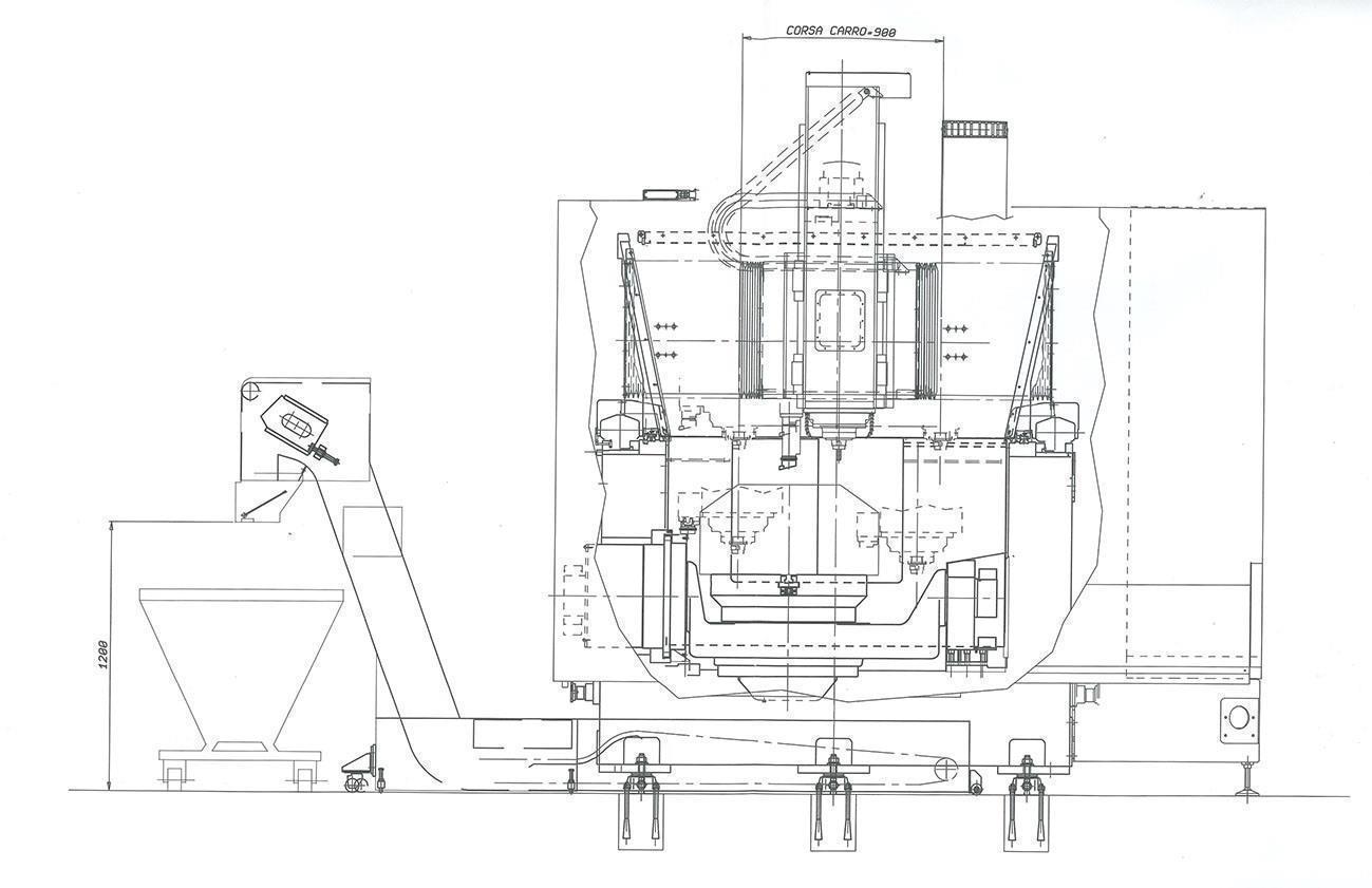
Torni verticali, tradizionali e CNC Breton Ultrix 800 X: 800 - Y: 900 - Z: 600 mm CNC

Informazione tecniche

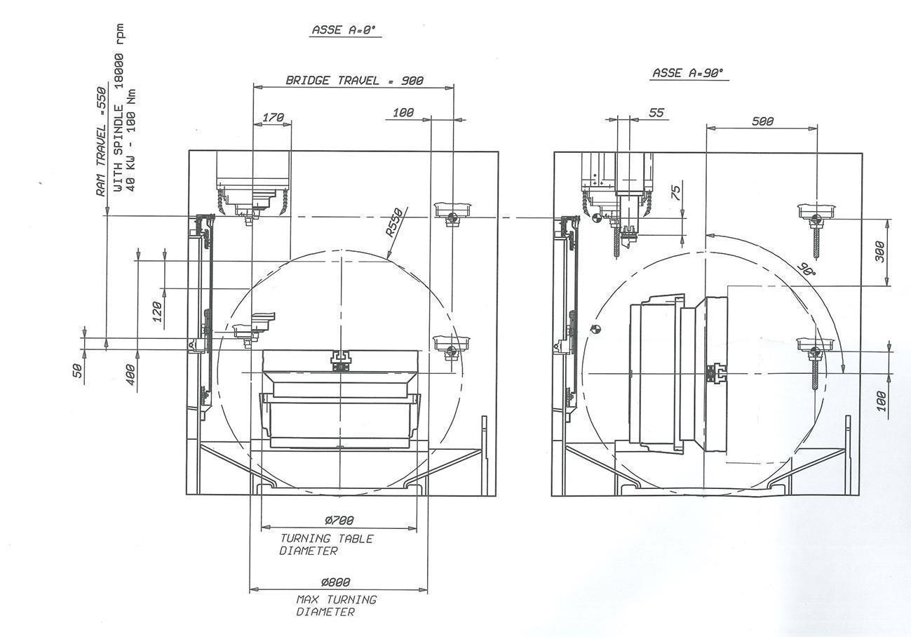
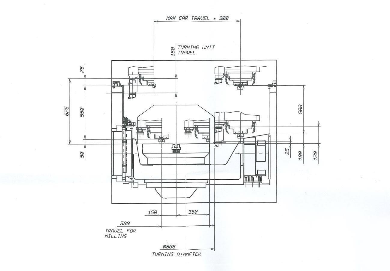
  • Chuck dia.700 mm
  • Max turningdia -- passage1100 mm
  • Power on the spindle40/30 kW
  • CommandSiemens 840D Solution Line
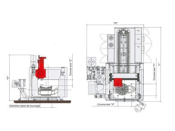
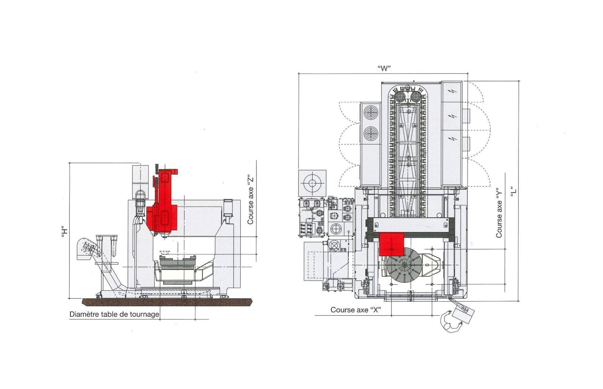
  • Long 4655 mm
  • Wide5890 mm
  • Height3415 mm
  • Weight17 ton
  • Turretyes
  • Qty Tools150 positions
  • Coolant pumpyes

Informazioni supplementari

  • Tipo: Ultrix 800 RT

    Ultrix 800 RT è un centro di lavoro multifunzione con 5 assi interpolati e un portale mobile per fresatura, tornitura, rettifica, foratura, maschiatura, finitura, sbavatura e sgrossatura ad alta velocità di pezzi complessi.

    Quando utilizzato per tornitura > tornio verticale:
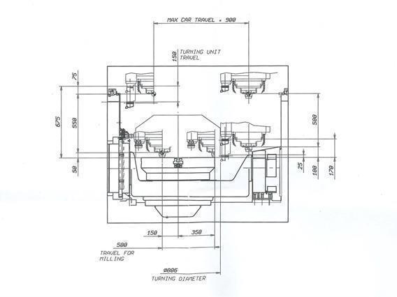
    - campo di rotazione: 1100 mm
    - peso massimo del pezzo: 700 kg
    - 40/30 kW sul tavolo
    - coppia massima sul tavolo: 1500 Nm
    - velocità massima del tavolo: 1000 giri/min !!
    - bloccaggio idraulico sul tavolo
    - conicità utensile per tornitura: KM63
    - Cambio utensile a 150 posizioni con 24 posizioni utensile per tornitura

    Quando utilizzato per fresatura, rettifica, foratura, ... > centro di lavorazione:
    - Asse X: 800 mm
    - Asse Y: 900 mm
    - Asse Z: 600 mm
    - Asse A: -30° / 110°
    - Asse C: continuo
    - peso massimo del pezzo: 700 kg
    - 55/40 kW sul mandrino
    - coppia massima sul mandrino: 22 Nm
    - max 40.000 giri/min
    - attacco utensile per fresatura: HSK-E40
    - Cambio utensile a 150 posizioni con 126 posizioni utensile per fresatura, rettifica, foratura

    Elenco degli optional montati sulla macchina:
    1 - Mandrino ad alta velocità da 40.000 giri/min
    2 - tavolo dia 700 mm con bloccaggio idraulico
    Cambio utensile da 3 a 150 posizioni
    4 - nastro trasportatore trucioli
    5 - sistema di raffreddamento con recupero
    6 - controllo della temperatura del liquido di raffreddamento
    7 - raffreddamento ad alta pressione (da 40 a 70 bar) tramite mandrino
    8 - sistema di estrazione fumi
    9 - contenitore per la raccolta dei trucioli
    10 - Sistema di presettaggio e integrità degli utensili: sonda laser e meccanica per la misura degli utensili
    11 - Sonda Renishaw



  • Tipo/Modello: Ultrix 800 X: 800 - Y: 900 - Z: 600 mm CNC
  • Numero di magazzino: A.12 15968
  • Categoria: [A] Torni
  • Sottocategoria: [A.12] Torni verticali, tradizionali e CNC
  • Il marchio: Breton

Numero di magazzino: A.12 15968

+++BekijkVideoWerkendeMachine+++

Promozioni nella sua casella della posta
Provare il nostro nuovo Alert Service